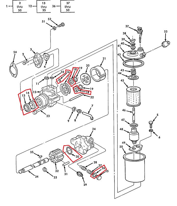
POWER STEERING PUMP SEAL KIT FOR M939A2 - 20510093-25Z
$79.95
POWER STEERING PUMP SEAL KIT FOR M939A2.
NOT FOR USE ON M939 OR M939A1 MODELS.
PLEASE SEE DRAWING, THIS KIT INCLUDES ONLY THE ITEMS IN THE DRAWING OUTLINED IN RED. ALL OTHER SEAL PARTS FOR THE PUMP AR INCLUDED WITHT HE PUMP FILTER KIT #ERS-28001. #54 GASKET IN THE DRAWING CAN BE FOUND BY EACHING FOR #154916
PART # 20510093-25Z NSN 5330-01-271-9544, 5330012719544

Share this item: